Home  |  Chinese  |   English
SHENZHEN SENDAO ELECTRIC CO., LTD.

Solutions

Your Location: Home > Solutions > Roving Frame > 
Roving Frames


 

Application on Roving Frames


Advantages:

Acceleration and deceleration smooth,Start up stable,Convenient speed regulation,no need change belt pulley.

Avoid Mechanical impact force and slippage.

Avoid roving knot when start,stop and jog.

Reduce roving levelness CV for 1%.

Rotational Speed of Roving Frames can regulate by changing inverter parameters, no need change belt pulley.

No need contactor,time relay,reactor,electromagnetic clutch,reduce material consume.

Omnibearing protection for motor(Under voltage,over current,overload,motor stalling,grounding,trip. Etc)

Save electricity 10%——25%.

Flyer position stop,easy to operate for  knitter,improve production efficiency.

Variable speed function for different sizes of the roving,can run under set programme.High speed for thin roving and low speed for thick roving.Decrease broken ends,improve efficiency and quality. length meter function can account length,easy to manage production.



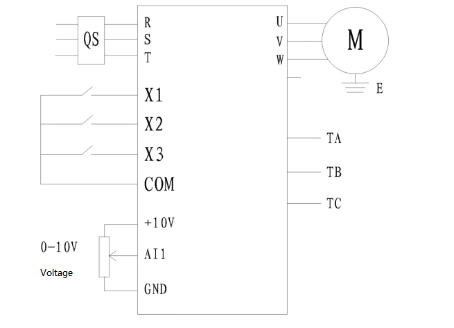
Basic Wiring diagram