Home  |  Chinese  |   English
SHENZHEN SENDAO ELECTRIC CO., LTD.

Solutions

Your Location: Home > Solutions > Air Compressor > 
Air compressor

 

Application on Air compressor



Electric energy consumption when uploading

When pressure achieve minimum,under former control method  the pressure will increase to maximum.In this process must release heat and loss electric energy.The other side,before air enter into pneumatic element,which with pressure higher than maximum,pressure need decompress via  reducing valve,in this process also need consume electric energy.



Electric energy consumption when unloading

When pressure achieve to maximum,compressor unload for decreasing pressure:switch off air inlet valve and motor idling,at the same time release superfluous compressed air from air separating tank.This method waste a lot of energy.When compressor unloading consume energy equal 10-25% consume when compressor runs with full load.So motor of compressor has large energy saving space.


System scheme

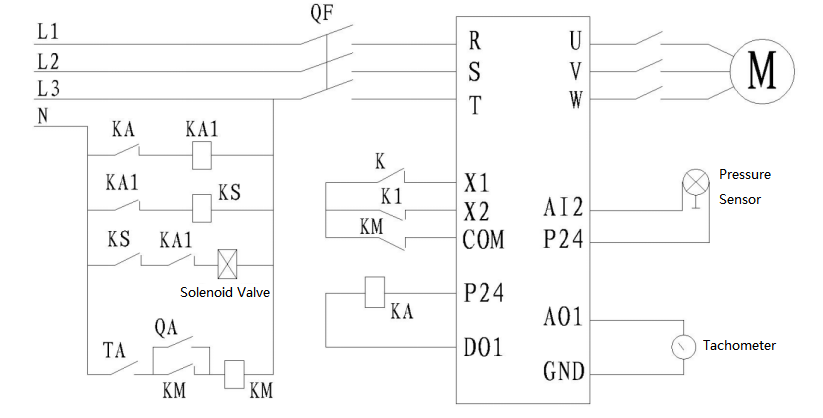
For these problems,we can use variable frequency and regulate speed technology realize control constant supply air.Pressure of pipe network as control object, pressure transmitter (YB)convert pressure in air storage to electric signal,and send to PID intelligent regulator,compare with set pressure(P0),account under set PID control method base on difference value,occur control signal and send to inverter,inverter control frequency and revolution speed of motor,so actual pressure always close to set pressure(P0).We can add power frequency and variable frequency switch functions in this scheme,retain former control and protection system.If use this scheme,motor of compressor from idle state to revolution work can start via inverter,realize soft start,avoid mechanical shock from surge current and starting.



Basic wiring diagram