Home  |  Chinese  |   English
SHENZHEN SENDAO ELECTRIC CO., LTD.

Solutions

Your Location: Home > Solutions > Ball mill > 
Ball mill

 

Application on Ball mill


Requirement

Ball mill consist of feed part,discharge part,revolution part,transmission parts.etc(reduction drive,pinion drive,motor,electrical control).In ceramic industry ball mill with horizontal barrel,barrel separated to 3-4 milling chambers by clapboards,in every milling chamber grinding media.When barrel rotate,material and grinding media hoisted to a certain height,then fall along approximate parabola , compact and grind the rest material,grind and mix material uniformly via axial movement.


Advantages

 SenDao inverter use vector control technology,perfect low frequency torque meet starting torque and large loading capacity requirement of ball mill,ensure equipment runs stable under variable frequency status,ensure motor runs with constant power.

Soft start of inverter can reduce compact to grid when motor starting.Use variable regulate speed system renovate driving system of ball mill,ensure ball mill run normally on low speed,ensure normal production quality,increase service life of ball mill and motor,reduce Maintain.

After renovation equipment can realize automatic control,timely protection,can reduce fault rate,effectively ensure equipment run normally.


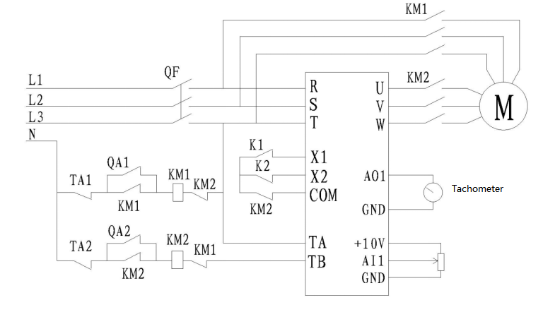
Basic wiring diagram