Home  |  Chinese  |   English
SHENZHEN SENDAO ELECTRIC CO., LTD.

Solutions

Your Location: Home > Solutions > Central air-conditioning > 
Central air-conditioning system

 

Application on Central air-conditioning system


Central air-conditioning system

Central air-conditioning system consist of refrigeration compressor system,Refrigerant cycle system(freezing,hot and cold),Circulating cooling water system, Fan coil unit,Cooling Tower Fan system. etc.


Theory of saving energy for fans and pump

At present for controlling temperature in condition system and wind amount in ventilation system,usually use simple methods,like regulate wind amount via baffle,regulate flow via valve.But these methods can’t achieve perfect result,much electrical energy wasted by baffle and valve.According to statistics,fans and pumps waste about 25% electrical energy.If decrease frequency of motor from 50Hz to 35Hz,actual Rotational Speed speed of motor decrease to 70% rated.Theoretical can save electrical energy 66%,  can realize obvious effect and considerable economic benefits.


Advantages

High degree of automation,Complete functions,simple use and management.

SenDao Inverter and upper computer control,digital operation.

No need person on duty

Cycle soft start use Self-compensation switching technique,small compact to electronic and mechanical equipment,can increase serve life of electronic elements and pumps.

With timing switch function

With timing switch pumps function

With Fault self-diagnosis function

With automatic running record function


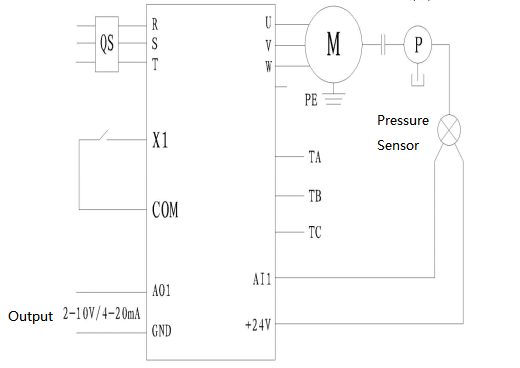
System scheme

2 cooling pumps,power of motor 75KW.Under normal circumstances,1# pump runs with inverter,2#pump as power frequency spare.When inverter need overhaul,2#pump start to run,ensure reliable system.Upper computer control inverter.


Basic wiring diagram