首页  |  中文  |   English
矢量变频器-深圳市森岛电气有限公司

应用方案

当前位置: 首页 > 应用方案 > OEM类设备解决方案 > 
SD5000系列深圳变频器在高频振动器上的应用方案
(1)工艺要求
 
    高频振动器广泛应用于高速铁路,高速公路等的基础建设中。它的工作原理是依靠电机两端偏心扁方轴将动力通过与其浮动连接的轴承套传给与轴承套套装的轴承套装的滚动体,滚动体在与端盖套装的多边形滚道内作行星式滚动而产生振动,并通过滚道将振动传给端盖乃至机壳。 
    (2)性能特点
 
    传统附着式振动器在森岛SD5000系列变频器的改造下性能有了很好的提高,其改造后的主要性能特点如下:
 
    激振频率高(150HZ/s)、激振力大(11KN-15KN)、振幅小(<1.3mm)、辐射范围大(1.5-2.0m),砼流动性、可塑性增加,构件密实度提高,成型快。
 
    振动效率高。由于振频高,振幅小,在钢模板形变上消耗的能量少,延长模板的使用寿命。
 
    体积小,重量轻(仅21KG/台)。采用快速装卸结构,在模板上固定仅需一个螺丝即可使用。装卸一台仅需30秒,比使用普通外部式振动器节省振动器安装辅助时间75%节省人力75%。
 
    用量少。由于使用快装结构,仅用20-40台即可满足50米T型梁的大型砼制作。比使用普通振动器节省大量电缆线,同时又可安全文明施工。
 
    使用寿命是普通振动器的4倍以上,由于高频振动器效率极高,每次振动时间只需25-60秒即可。故极大的提高了振动器的使用寿命,减少了维修,降低了成本。
 
    (3)优势分析及接线图
 
    ① 优势分析
 
    高频振动器不仅使用寿命长,效率高,振幅大,激振力强,无失振现象,而且结构紧凑,使用方便,易损件少,便于维修。
 
    传统附着式振动器与高频快装附着式振动器性能列表的对比如下:
  
  • 传统附着式振动器
  • 高频快装附着式振动器
  • 频率  50HZ
  • 频率  150HZ
  • 振幅  2.5mm
  • 振幅 0.8mm
  • 振动时间  >120秒
  • 振动时间 30-40秒
  • 激振力 10KN
  • 激振力 12KN
  • 功率  1.5KW
  • 功率 1.5KW
  • 装卸一台所需时间 >4分钟
  • 装卸一台所需时间  30秒左
    综合上表,高频附着式振动器的平时工作效率是传统附着式振动器的8倍,由于该高频附着式振动器采用了森岛SD900变频器的技术改造,故而降低了高频附着式振动器的易损率和发热系数,从而大大提高了电机的使用寿命。不仅如此,传统附着式振动器采用森岛SD5000变频器改造后,自动化成度高,易于操作控制,还可实现过压、欠压、缺相、过载、过热、过流、外部故障等保护功能,达到更好保护电机的效果。
 
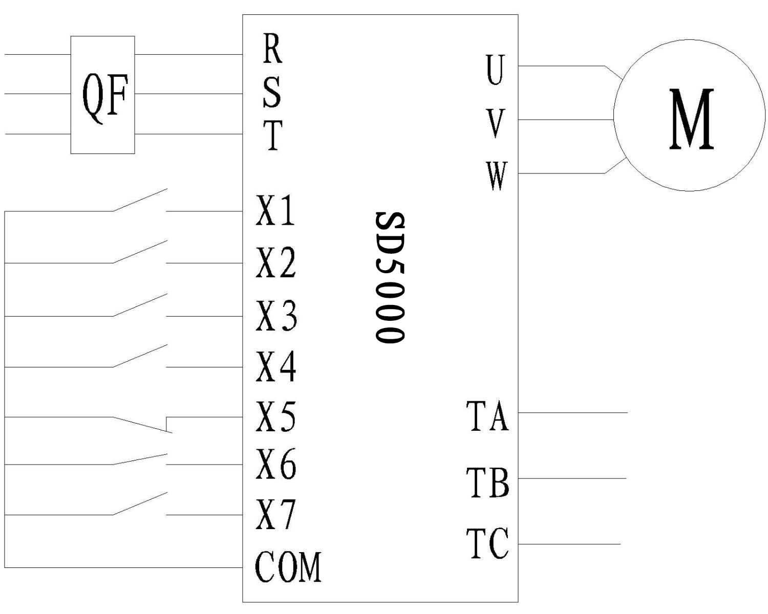
    ② 接线图
 
                           
                             系统基本接线图
    (4)结语
 
    通过系统实际运行后测试分析,该高频振动器使用森岛SD900变频器改造后电机效率高,振幅大,激振力强,无失振现象,使用方便,易损件少,便于维修。可有效提高生产效率,加快工程进度。并可对电机进行过流、过压、过热、欠压,振动器的过载,断相等做出及时的保护。可以预见,随着科技的发展,自动化的要求越来越高,变频调速将会的到更广泛的应用。



粤公网安备 44030902000450号