首页  |  中文  |   English
矢量变频器-深圳市森岛电气有限公司

应用方案

当前位置: 首页 > 应用方案 > OEM类设备解决方案 > 
SD5000系列变频器在粗纱机上的应用方案
  (1)工艺要求
 
    棉纺粗纱工序是将并条下来的熟条抽长拉细,进一步牵伸加捻,并使条干不匀率控制在某一指标内,以供下道工序加工成纱。
 
    原系统的状况:
 
    在粗纱生产过程中影响成纱质量的因素之一就是开、停车及点动时所产生的细节问题。对于传统的粗纱机而言,解决细节问题的手段:
 
    一是启动过程中的电抗器的作用原理是,当粗纱机启动时电抗器串接在三相回路中的一相,使电动机处在三相不平衡状态以降低电动机的起动力矩。当粗纱机启动结束达到额定转速时,必须将电抗器短接,使电动机恢复三相平衡,投入正常运行。这一环节是通过时间继电器来完成的,如果时间继电器一旦出现问题,就无法短接电抗器,这样就会造成电动机长期运行在三相不平衡状态,就会导致电机发热烧毁。
 
    二是停车时的防细节装置是有两个时间继电器一个接触器与电磁离合器组成的,在生产实践中故障率极高,且两个配合调节难度较大,目前此装置正常运行的极少。
 
    综上所述,粗纱的防细节问题一直未能得到有效良好的解决。要消除开、停车的粗纱细节较为理想的措施就是进行交流变频技术改造。
 
    (2)系统优点:
 
    升降速平滑,启动平稳,调速方便,不用换皮带轮。
 
    消除机械冲击力与滑溜率。
 
    消除开停车及点动时所产生的粗纱细节。
 
    粗纱条干CV可降低1%。
 
    粗纱机的工艺转速可通过变频器的参数来实现,无须更换皮带轮。
 
    取消接触器、时间继电器、电抗器、电磁离合器等,降低材料消耗。
 
    对电机实现全方位保护(欠压、过流、过载、堵转、接地、短路等)。
 
    节电10%——25%。
 
    锭翼定位停车,方便挡车工操作,提高工作效率。
 
    有大小纱变速功能,可实现按设定程序运行,小纱期间速度高,大纱期间速度低,减少断头,既提高效率又提高质量。有计长表功能,可累计长度,便于生产管理。
 
    (3)具体方案:
 
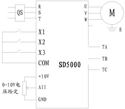
    下面是森岛SD5000系列变频器在粗纱机上的应用:
 
    ① 基本接线图:




粤公网安备 44030902000450号