概述
集中供热是城市能源建设的一项基础设施,它是以热水和蒸汽为热媒,通过热网向城镇或区域用户供应热能的方式。在东北地区逐步以集中供热取缔供热范围内分散的供热小锅炉,避免因大量新增负荷而将要建设的小锅炉。同时增加了自动控制系统和监控系统,既提高了供热系统的安全可靠性,又保证了供热质量,适应了大城市日益增长的热负荷需要,具有显著的社会效益、环境效益和经济效益。下面是森岛SD5000系列变频器在沈阳风城市集中供热系统中的应用。该锅炉燃煤控制系统所涉及的炉排和给煤机、鼓风机、引风机、循环水泵和补水泵用变频器全部采用森岛SD5000系列的产品,功率范围从7.5KW到280KW电压等级是380V,整个控制系统采用DCS集中控制,能够实现锅炉的自动燃烧及供热运行。如图所示:

综合性能比较
在控制上
自动化控制系统配备了现场各类传感器,所有现场数据均通过专用电缆传到计算机及二次显示仪表。水泵、鼓引风机等设备均通过变频器、PLC等来驱动。这样,司炉工完全不必到现场观察数据,调节挡板及阀门等。只需在中央控制室里即可完成全部控制、记录。这样,减轻了工人的工作量又减少了人力资源的浪费。并且操作简单,维护方便,减少事故率。
在节省能源上
由于自动控制系统采用了变频器来调节电机转速,从而也就大量的节省了电能的浪费。在原系统中,每年要有大量的电费浪费在鼓引风机上,这是由其本身 调节方式决定的。
大多数鼓引风都采用老式的降压起动,起动之后投入工频全负荷运行,靠调节风门来达到调节风量的目的。这样既把过多的电能消耗在风门上,又对机械造成了损害。而本系统采用了变频器来达到无级调速改善对机械上的损害。又由于变频器本身的功率因数又较高,并可根据供热系统需要来随时随地改变电机转速,从而达到调节风量的目的。
这样就降低了所需的电量,节省了电能。对于水泵也如此,尤其循环水泵。作为向外网供热并回收冷却水的主力,老式也都是降压起动,全压运行。对于居民来说,并不是所有天气都要求较高的室温。
而且对于逐年的暖冬及变化莫测的天气来说,由变频器来随时调节流量来改变室温,以适应日益苛刻的居民对供暖的要求,实在是迫在眉睫。另外对于补水泵的变频调节,又对锅炉实现了较为准确和安全的压力控制。
而对于炉排的变频控制更是节省了大量的煤炭资源。例如:我公司在吉林地区某45吨锅炉房内3台15吨供热锅炉进行自动化改造后,当地电业部门曾多次更换锅炉房内电表来确认节电的准确性。并最终计算得出,每个采暖期节省的电费要占往年总电费的25%~30%。从而被定为当地标杆暖房。
3 控制原理
该系统的控制算法为模糊控制及智能PID,分析如下
热水锅炉出水温度自动调节
当外部负荷变化时,出水温度随之变化,为了确保锅炉出水水温不随供水量的变化而变化,调节炉排变频器频率输出,控制链条的前进速度,改变进煤量,送风量也随之变化,从而使锅炉出水水温恢复到给定值。
炉膛负压是表征送风量是否平衡的一个物理量。当出水温度变化时,煤量、鼓风量也随之变化,同时引风量也作相应的调整,以维持炉膛负压在额定值,从而保证工业锅炉的安全运行。为了确保锅炉能在炉膛处于微负压状态下燃烧,通过调节引风变频器频率输出,进行炉膛负压的控制。
鼓风变频转速的控制非常重要。当炉排转速发生变化时,鼓风转速应随之变化,以期达到最佳燃烧效果。鼓风变频转速的控制通过固定风煤比经验公式加烟气含氧量模糊较正来实现。
① 炉排和分层给煤机
炉排和给煤机控制着锅炉进煤量的变化,为双炉排分层给煤机驱动部分采用森岛SD5000系列3.7KW和2.2KW变频器控制,正常运行时同步调速,也可以单台调试,控制方式采用本柜/现场/DCS三地控制,通过转换开关实现起/停和电机转速调节,并有起停指示,故障报警和急停装置。同时可以通过变频器反馈给DCS系统来监控运行状态。
② 鼓风和引凤机
鼓风机和引风机控制着锅炉炉膛内的压力,引凤量随着故风量的变化做相应的调整,使锅炉内部始终保持在一定的压力值,确保整个系统的稳定性。其中鼓风机采用森岛SD5000-4T1850G,引风机采用森岛SD5000-4T2800G的变频器控制。故引风机通过外部电路互锁控制,通过转换开关实现三地控制,并且能通过DCS监控到电机的工作状况。
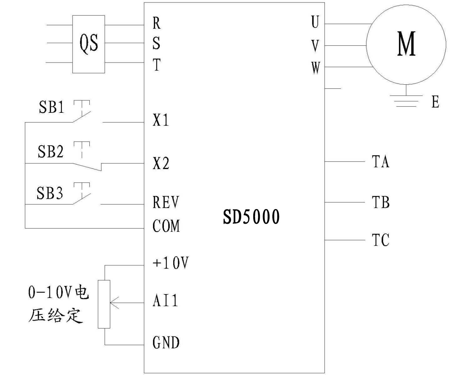
以引风机为例下面是SD5000-4T2800G变频器的控制线路图:
(5) 循环泵和补水泵
循环水泵采用森岛SD5000-4T1600G的变频器进行转速调节,保持供回水压差处于恒定,在DCS自动控制系统下,有压力传感器测得进出空压力值,计算进出口压差反馈,和设定值比较,使系统保持恒压状态运行,同时变频器具有电机软启、软停的功能,因此也避免了“水锤”效应对管网及设备产生的冲击,保证了管网系统安全地运行。
(6)综述
本自动化控制系统经过多年实践经验的补充、完善,以逐渐形成较为系统、可靠、可行的方案,在北方得到大力推广。尤其以其优良的节能效果,成为社会发展的日益趋势。